High-efficiency SWIR Illumination for Hyperspectral Imaging
BlacKBright
Fast Medium Wave IR
Modular illumination unit designed for industrial sorting and inspection workflows
High-efficiency SWIR Illumination for hyperspectral imaging
The Alternative to halogen
Reliable hyperspectral measurements in the SWIR spectral range require strong and stable illumination. In industrial inspection environments, where materials move continuously on conveyor belts or chute systems, uneven lighting or excessive heat from conventional sources can negatively affect measurement stability.
The BlackBright Fast Medium Wave IR has been developed specifically for these conditions. The high-performance illumination unit generates a focused and homogeneous illumination line that is optimised for hyperspectral line-scan cameras operating in the SWIR range (900 – 1800 nm). Compared to conventional halogen illumination, the system provides high optical efficiency while producing significantly less heat in the inspection area.
This makes the BlackBright FMWIR particularly suitable for industrial hyperspectral inspection and sorting applications where stable measurement conditions and reliable spectral data are essential.
Double Reflector Setup
BlackBright FMWIR illumination modules use a dual-stage reflector concept to maximise optical efficiency. Each emitter integrates a unilateral ceramic reflector coating that directs radiation towards the inspection area. Additional external silver coated reflectors further shape and concentrate the emitted radiation into the narrow illumination line.
By focusing most of the emitted energy into the active measurement line, the system achieves a highly uniform illumination profile across the working width.
Low heat emission
The BlackBright Fast Medium Wave IR illumination operates at a reduced filament temperature of around 1600 K, which significantly lowers the thermal load in the inspection area. At the same time, the emitters provide strong radiation in the SWIR spectral range up to 1800 nm required for hyperspectral imaging.
Lower heat emission improves measurement stability and allows the system to operate reliably in temperature-sensitive environments for example the food industry.
modular Architecture
The illumination unit is built from emitter segments that can be combined to match the required working width.
The reflector design is particularly compact, with a width of around 100 mm. This compact form factor simplifies integration into industrial sorting systems and allows the illumination unit to be installed even in space-constrained inspection environments.
Typical installations can cover working widths of up to 1000 mm and is also available with four different types of protection.
Because of its peak response at 1600 nm, the BlackBright FMWIR is ideally suited for hyperspectral imaging in the SWIR range.
High-efficiency SWIR Illumination for hyperspectral imaging
Specifications
MODULAR ARCHITECTURE
250 mm - 1000 mm possible
DIFFERENT PROTECTION OPTIONS
Bandpassfilter + Glass
Bandpassfilter + Polycarbonate
Glass
Wire mesh (as you can see here)
HIGH SPECTRAL INTENSITY
900 - 1800 nm
optimised for SWIR hyperspectral cameras
LONG LIFETIME
The emitters achieve a long lifetime up to 10 000 h.
Talk to Our Experts
High-efficiency SWIR Illumination for hyperspectral imaging
SPECTRAL BANDPASS FILTER
The BlackBright Fast Medium Wave IR is also available with an optional spectral bandpass filter.
The bandpass filter enhances measurement repeatability and supports temperature-sensitive industrial workflows by concentrating the required wavelength range within the working area while blocking unwanted radiation. The resulting low heat emission makes it ideal for specific applications, such as the food industry.

Inside the BlackBright FMWIR: Bandpass filter and glass as protection.

Single module of the BlackBright FMWIR with Bandpass filter and glass.
MODULAR ARCHITECTURE
The BlackBright FMWIR illumination is obtainable in different length options, ranging from 250 mm for a single module up to 1000 mm when four modules are combined. So you have the ability to get the illumination precisely matched for your required working width.
There are also four different protection options for the illumination. For more information, take a look at our datasheet or contact our experts.
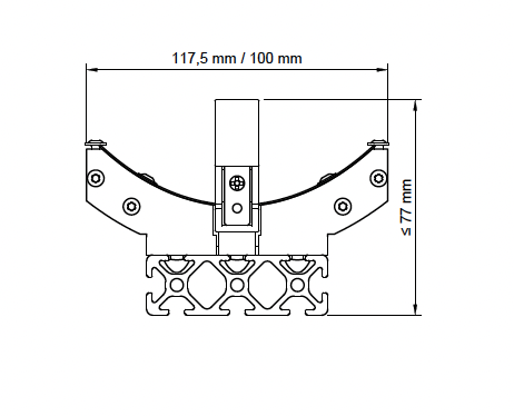
OEM MODULES
For optimal integration into industrial workflows, we offer OEM modules of the BlackBright FMWIR illumination tailored to required width up to 1000 mm. Our team of experts can advise you on your specific use case and support you throughout the integration process.

Technical rendering of the OEM module.

Technical drawing showing the side view of the OEM module.
Start with HSI Today
Where hyperspectral imaging creates real impact
Applications

RECYCLING
HSI allows sorting systems to identify materials based on their spectral properties, enabling more accurate classification and improved recyclate quality.

FOOD INDUSTRY
Hyperspectral imaging provides detailed spectral information that supports automated quality control and more reliable inspection processes.